43+ 2001 Suburban Radio Wiring Diagram Images

43+ 2001 Suburban Radio Wiring Diagram Images

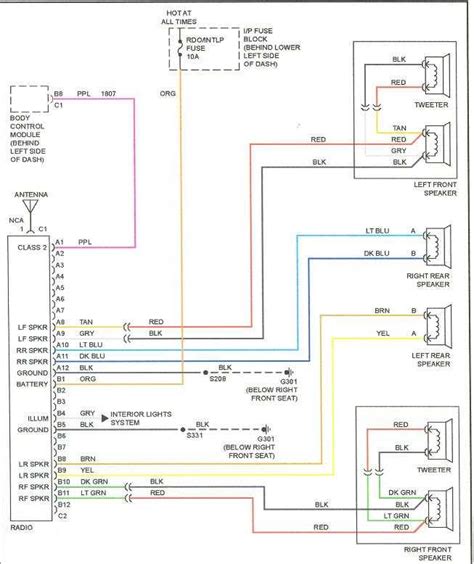
For the chevrolet suburban, chevrolet tahoe, gmc suburban, gms yukon 2000, 2001, 2002, 2003, 2004, 2005, 2006 model year.

43+ 2001 Suburban Radio Wiring Diagram Images. 02 tahoe radio wiring diagram online wiring diag. Remove the wiring harness from your 2001 chevy suburban sub woofer.

2001 Chevy Suburban Radio Wiring Diagram 1994 Toyota 4runner Engine Diagram Wiring Diagram Schematics
2001 Chevy Suburban Radio Wiring Diagram 1994 Toyota 4runner Engine Diagram Wiring Diagram Schematics from 2020cadillac.com
I can't find a pin out in the rave manual under electrical. When i replaced the unit in my 2001 lx none of the wiring diagrams online were right online and since the factory unit runs a single ground for all the speakers to the amp i just ran. Fuel injection wiring diagram (pdf).

The owner's manual is in a black jacket and most vehicle owners keep it in their glovebox.

Circuit and wiring diagram download: Again thanks, i hope this will be answered. This circuit and wiring diagram: Fuel injection wiring diagram (pdf).