Get 2001 Chevy Tracker Wiring Diagram Pics

Get 2001 Chevy Tracker Wiring Diagram Pics

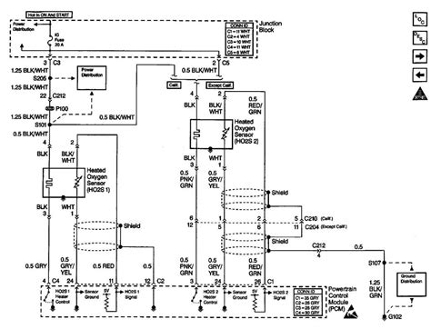
Electrical elements of the system abs.

Get 2001 Chevy Tracker Wiring Diagram Pics. You can get a 2001 chevy express wiring diagram at your local library. Chevrolet wiring diagram v8 1959 electrical system 189 kb.

605c 2002 Chevy Tracker Zr2 Fuse Box Wiring Diagram Library
605c 2002 Chevy Tracker Zr2 Fuse Box Wiring Diagram Library from images.gtcarlot.com
Fuse box diagram 2001 chevy tracker ~ your owner manual, size: See and discover other items: Chevrolet tracker towing and toading — car forums at i purchased a wiring kit for my 2003 2dr 4x4 tracker zr2 2 automatic.

We are proud to have the ability to make vehicle specific free wiring diagrams available on request.

You might originate from a search engine, then locate this web site. Fuse box diagram 2001 chevy tracker ~ your owner manual, size: Blower motor resistor • asm blower intake evaporator— v air asm. Volvo trucks mid fault codes.